深圳市优倍安科技有限公司
 
 
产品中心
您现在的位置: 首页 > 产品中心 > 气体检测仪

M300丙烷气体探测器

M300气体探测器,是一种固定式可连续检测作业环境中可燃气、氧气、有毒有害气体浓度的仪器。探测器为自然扩散方式检测气体浓度,采用优质电化学传感具有良好的灵敏度和出色的重复性;适宜工厂应用的LED数码显示器实时显示泄漏气体的浓度值,超过预设报警点立即启动声光报警或驱动排风系统;标准(4~20)mA信号可直接接入工厂DCS系统,RS485数字信号与工厂上位机连接;仪器采用嵌入式微控制技术,操作简单,功能齐全。 标定到期提醒功能
立即咨询 在线咨询
本产品的设计、制造及检验均遵循以下国家标准:
GB16808-2008 《可燃气体报警控制器》
GB12358-2006《作业场所环境气体检测报警仪通用技术要求》
24小时服务热线:
18898581064
主要功能
  • ◆ 仪器采用先进的32位超低功耗嵌入式微控制器
  • ◆ LED数码管显示
  • ◆ 可以连接继电器和声光报警器
  • ◆ 安全的免开盖红外遥控操作
  • ◆ 用户可自行设置高低报警点
  • ◆ 强大的通信功能,参数可以通过RS485进行修改和查询
  • ◆ 恢复出厂设置功能
  • ◆ 重要操作需密码验证,有效防止误操作
  • ◆ 标准(4-20)mA信号或RS485数字信号可直接接入工厂DCS系统
技术指标
技术参数参数值
适用气体可燃气、氧气、有毒有害性气体
检测原理电化学/催化燃烧
测量范围多量程可选
长期稳定性士1%F.S/Month
信号输出标准(4~20)mA信号、RS485隔离数字信号
响应时间因待测气体和传感器而异
防爆等级ExdⅡCT6 Gb
防护等级IP66
工作电压

DC(10~30)V,推荐DC24V

电气接口M20×1.5、(选配:G1/2、G3/4)
显示方式LED数码管显示
壳体材料铝合金
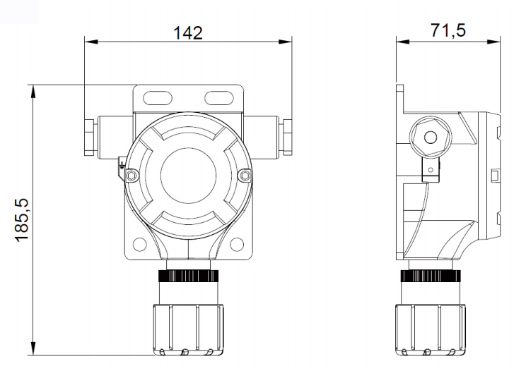
尺寸185.5(L)×142(W)×71.5mm(H)
重量约1100g
工作温度可燃气体:-40℃~+70℃;有毒气体:-30℃~+50℃
湿度范围≤95%RH(无结露)
产品详情

客户留言

联系我们

行政办公地址:
深圳市宝安区西乡街道流塘社区前进二路21号
制造工厂地址:
广东 深圳
粤ICP备2021024589号-1版权所有©深圳市优倍安科技有限公司 法律声明网站地图联系我们
在线咨询 在线咨询 获取厂家报价
免费技术支持
返回顶部